Whirlpool este un producator care nu mai are nevoie de nicio prezentare, iar seria sa de mașini de spălat vase merită toată atenția. Modelele au un raport calitate-preț foarte bun, fiind potrivite pentru toate buzunarele. Tocmai de aceea o masina de spalat vase, moderna, de ultima generatie, este extrem de importanta in orice casa. Aceasta masina datorita sistemului de balamale al usi se potriveste perfect in orice spatiu.
Masina de spalat vase incorporabila Whirlpool W7IHT40T ce face parte din gama Preminum de masini de spalat vase de la Whirlpool, este alegerea perfecta daca iti doresti o masina performanta cu control electronic dotat cu functii si tehnologii de ultima generatie. Masina de spalat vase incorporabila Whirlpool W7IHT40T are un design foarte simplu, avand carcasa de culoare crem/negru, iar panoul de control ascuns fiind plasat pe muchia superioara a usii.
Panoul de comanda electronic are o interfata foarte simpla, fiind prevazut cu un numar redus de butoane ce iti indica prin semnalizari timpul ramas pana la finalizarea programului, optiunea pentru a spala pe un singur cos, precum si etapa spalarii in curs. Ecranul LED ne arata: afisarea timpului de spalare ramas, indicator de sare, rezerva compartimentului de sare, decalcifiere, indicator pentru robinet de apa inchis. Cu butonul On/Off pornim sau oprim masina. Cu ajutorul butonului Eco cu indicator luminos, pornim programul ce se deruleaza cu resurse energetice reduse. Cu butonul Rapid/Pre-spalare cu indicator luminos, prin apasari succesive selectam functia preferata. Cu butonul Cristal/Auto-curatare cu indicator luminos, prin apasari succesive activa functia preferata. Iar cu urmatorul buton cu indicator luminos, la fel prin apasari succesive selectam programul de spalare preferat: Auto Intensiv la 65°; Auto Amestec la 55°C; Auto Rapid la 50°C. Pe panoul de comanda mai avem un buton cu trei indicatoare luminose, pentru activarea Extra optiunilor: Half Load de spalare la jumatate; A optiuni de spalare Silentioasa si de a modifica durata programului de spalare. Masina are in dotare si functia Timer cu pornire intarziata in intervalul de timp de la minim 30 de minute pana la maxim 24 de ore. Functia de intarziere la pornire va permite sa rulati masina intr-un moment care va convine cel mai bine, de exemplu, in timpul noptii cand energia este mai ieftina. Avem buton cu indicator luminos, pentru activarea functiei Power Clean. Cu butonul la fel cu indicator luminos, Extra Dry accesam functia de uscare suplimentara, ce mareste temperatura apei de clatire si prelungeste faza de uscare. La acest model avem posibilitatea de a scoate sau de a adauga vase in timpul derulari unui program de spalare. Pentru a realiza acest lucru comutam masina in modul Pauza in timpul unui program de spalare, apasand butonul “Pornire/Pauza” iar pe display un indicator ne va indica etapa in care a ajuns ciclul de spalare. Pentru a reporni programul de spalare apasam in continuare pe acelasi buton “Pornire/Pauza”. Iar pentru a schimba setarile programului in derulare se apasa pe butonul “Start/Pauza” si programul se opreste. Programul Child Lock permite blocarea butoanelor masinii de spalat vase pentru a preveni oprirea accidentala sau schimbarea programului. Copiii se pot juca langa masina de spalat vase, fara ca sa fie supravegheati permanent. Aceasta masina fiind proiectata pentru o functionare indelungata pe afisaj vor aparea si coduri de eroare. In acest sens cu functia de Diagnosticare Inteligenta din dotare acest model are rolul de a preveni defectiunile severe care pot sa apara. Aceasta functie va identifica inca din faza incipienta orice eroare aparuta in regimul normal de functionare si va opri instantaneu masina de spalat, afisand in acelasi timp pe display-ul acesteia un cod specific fiecarei erori. In functie de aceste coduri afisate ce sunt prezentate si in manualui masini, veti putea gasi cele mai rapide si mai sigure metode de remediere.
Pentru cele mai bune rezultate de spalare la acest model, cantitatea de saruri necesara este distribuita automat in functie de gradul de duritate al apei. In cazul in care cantitatea de saruri sau de solutie de clatire este insuficienta, indicatorii electronici va informeaza imediat cu privire la acest lucru. Pentru o functionare optima masina de spalat vase are nevoie de apa dedurizata (cu continut scazut de calciu). Daca apa de alimentate are duritate mare pe vasele ce sunt spalate si pe componentele din interiorul masini vor ramane urme de calcar. Acest lucru are influenta negativa asupra ciclului de spalare, uscarii si lustruirii vaselor. De aceea sistemul de dedurizare trebuie alimentat cu sare care este special fabricata pentru masinile de spalat vase, pentru ca sa poata functiona cu aceeasi eficacitate de fiecare data. Diagrama duritate ale apei sunt date intr-un tabel in cartea tehnica, ce insoteste aceasta masina, sau se poate afla de la regia de apa din localitatea de domiciliu. Dozatorul pentru detergentii se afla amplasat in interiorul masini pe usa, cu indicator de nivel cu semnalizare pe panoul de comanda. Dozatorul pentru detergent este prevazut cu sistem de inchidere prin glisare ce iti permite o utilizare usoara. Astfel, accesarea acestuia se realizeaza cu usurinta oricand ai nevoie, cu un minim de efort.
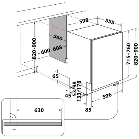
Masina de spalat vase incorporabila Whirlpool W7IHT40T avand dimensiunile de: (IxLxA) mm 820/900 x 598 x 555 si o greutate neta de 35,5 Kg se poate integra sub blatul mobilei de bucatarie fara sa-ti ocupe prea mult spatiu. Golul de montaj in blatul de la bucatarie trebuie sa aiba dimensiunile de (H, L, A)mm 820/900 x 600/608 x 560 iar blatul trebuie sa aiba o grosime de minim 25 mm.
Masina de spalat vase incorporabila Whirlpool W7IHT40T avand o capacitate medie de spalare de nu mai putin 15 (seturi) se adreseaza familiilor de 7-8 persoane si este capabila sa spele mai multe tipuri de vase sau chiar vase de dimensiuni mari. Astfel conform normelor IEC, un set de vase consta in: Dintre o farfurie plata, o farfurie de supa, un pahar, o ceasca de ceai cu o farfurie mica, un cutit, o furculita, o lingura de supa, o lingurita pentru desert si o lingurita pentru ceai. Pentru a satisface aceste cerinte interiorul este organizat în 2 cosuri spatioase din sarma cu rafturi pliabile, plus un raft flexibil pentru tacamuri, dintre care cosul de sus este ajustabil pe inaltime, astfel incat sa te poti adapta la fiecare situatie si sa poti spala toate vasele de care ai nevoie.
Cosul superior detasabil si reglabil pe inaltime cu sistem Rackmatic in 3 trepte, asigura un spatiu suplimentar de depozitare, mai ales pentru vasele inalte. In plus acest cos ofera spatiu pentru pahare, farfurii, cesti si tacamuri, precum si pentru pahare de vin cu picior inalt si boluri.
In plus cosurile modulare Flexi Space prin crearea de spatiu suplimentar, va permit sa aranjati elementele liber si usor in interiorul masinii. Cu aceste tehnologii adaugati, eliminati sau adaptati spatiul din interiorul masinii de spalat vase asa cum doriti, datorita rafturilor modulare si suporturilor pliabile. Cosul inferior fiind dotat cu tehnologia Easy Fold Plate cu 4 randuri de suportii pentru farfurii, pot fi pliati cu usurinta pentru a eficientiza spatiul si pentru a face loc platourilor de mari dimensiuni. In plus datorita noului sistem de ghidare, cosul inferior este mai stabil in momentul descarcari sau incarcari cu vase mai grele. Raftul flexibil de sus ofera mai mult spațiu pentru tacamuri si ustensilele de gatit si in plus daca il extragi afara, iti da posibilitatea sa utilizezi pe raftul din mijloc si pentru articolele mai inalte.
Masina de spalat vase incorporabila Whirlpool W7IHT40T avand in dotare si un motor Pro Smart Inverter fara perii, asigura o functionare ultra-silentioasa de 40 dB la spalare ridicandu-se la cele mai ridicate standarde de eficienta energetica. Acest tip de motor brushless, a caror constructie a permis eliminarea periilor de carbon, introduce un set de avantaje sesizabile de la prima utilizare: nivel de zgomot redus, absenta vibratiilor, control imbunatatit al turatiei, eliminarea emisiilor electromagnetice. Toate aceste avantaje sunt dublate de durabilitatea si robustetea ansamblului din care au fost eliminate elementele supuse uzurii, periile de carbon. Datorită motorului cu presiune variabilă Flexi Power si datorita Sensor System, senzorul de turbiditate inteligent, performantele de spalare sunt automatizate pentru economisirea apei si a energiei. Pentru ca aparatul urmează a fi folosit cel mai probabil zilnic, producătorul l-a dotat cu tehnologii si programe nu doar eficiente, ci si economice. In plus acest model de la Whirlpool este dotat cu tehnologia Al 6-lea Simt, prezenta de altfel la toate modelele acestui brand celebru. Rolul sau este de a economisi apa, energie electrica si timp, adaptand cantitatea de resurse la numarul vaselor murdare din interiorul cuvei, cu ajutorul senzorilor inteligenti care pot cantari vasele din cos. In acest mod, masina consuma mai putina energie, mai putina apa, iar programul sau este mai scurt. In plus masina de spalat vase incorporabila Whirlpool W7IHT40T are in dotare si tehnologia cu inalta presiune de curatare Power Clean. Al 6-lea Simt combinat cu tehnologia Power Clean, consta dintr-un sistem de curatare reproiectat cu jet de apa, care indepărteaza chiar si murdaria cea mai persistenta din tigai, sau tavi fara ciclu de pre-spalare, sau inmuiere.
Senzorii speciali monitorizează contaminarea vaselor si controleaza presiunea apei in timpul ciclului de spalare. Cele 5 variatii de presiune ale apei asigura o acoperire maxima a intregii incarcaturi. Bratul stropitor din partea superioara are sistem de pulverizare din plafon. Iar bratul stropitor de jos tip elice are o mișcare de rotatie dubla, cu schimbarea continuu a unghiului de pulverizare, pentru a ajunge in fiecare colt al masinii de spalat vase.
Sistemul de uscare se face in mod natural cu usa deschisa. Astfel datorita sistemului de uscare Natural Dry, care deschide automat usa masini de spalat vase in timpul fazei de uscare, se obtine cu consum energetic redus si o uscare perfecta a vaselor. Pentru un plus de confort usa se deschide numai atunci cand temperatura scade la aproximativ 40°C, pentru a evita deteriorarea mobilierului din bucatarie.
Masina de spalat vase incorporabila Whirlpool W7IHT40T este dotat si cu sistemul Aqua Control. Acest dispozitiv de protectie monitorizeaza nivelul de apa din interiorul bazinului masinii si detecteaza lipsa apei. In cazul unui nivel scazut de apa datorat unei scurgeri accidentale, se trimite un semnal sistemului electronic, care opreste aparatul si apa automat este pompata afara. Compartimentul de jos din cuva ramane umplut partial pentru a pastra butonul activat pana la repararea masinii. Astfel esti protejat impotria inundatiilor atat in timpul functionarii cat si in repaus. Cu acest model esti in siguranta pe intreaga durata de functionare a masini.
Pentru ca aparatul urmeaza a fi folosit cel mai probabil zilnic, producatorul l-a dotat cu tehnologii si programe nu doar eficiente, ci si economice. Pentru spalarea efectiva ai la dispozitie 8 programe de spalare cu 4 nivele de temperaturi de spalare: Vei gasi astfel un program un program Bio/Eco la 50°C pentru spălare la un nivel minim de resurse cu o durata de 3 ore si 30 de minute. La acest program de spalare putem sa adaugam optiunea: De spalare la jumatate cu Power Clean; Silentios; Extra uscare si Pornire intarziata. Acest program de spalare sa luat ca referinta pentru eticheta energetica. Programul al 6th Sense sau programul Automat Intensiv cu senzori, cu temperatura apei la 65°C. La acest program senzorul de turbiditate monitorizeaza permanent cat de murdara e apa, si va regla: temperatura de spalare, numarul ciclurilor de prespalare dar si de spalare, durata spalarii, dar si consumul de apa. Astfel in momentul in care senzorul detecteaza nivelul de murdarie, pe afisajul masini apare o animatie si cu durata ciclului de spalare actualizat. Acest program automat de spalare va dura intre 2 ore si 25 de minute si 3 ore si 10 minute, cu un consum de 15,5 – 24,5 litri de apa, cu un consum energetic de la 1,3 la 1,7 kWh. La acest program de spalare putem sa adaugam optiunea: De spalare la jumatate cu Power Clean; Silentios; Extra uscare si Pornire intarziata. Programul al 6th Sense sau programul Automat Amestec cu senzori, cu temperatura apei la 55°C. Acest program de spalare este folosit pentru vase cu un nivel mediu de murdarie si cu reziduri uscate. La fel si la acest program senzorul de turbiditate monitorizeaza permanent cat de murdara e apa, si va regla: temperatura de spalare, numarul ciclurilor de prespalare dar si de spalare, durata spalarii, dar si consumul de apa. Astfel in momentul in care senzorul detecteaza nivelul de murdarie, pe afisajul masini apare o animatie si cu durata ciclului de spalare actualizat. Acest program automat de spalare va dura intre 1 ora si 20 de minute si 3 ore, cu un consum de 7,5 – 19,5 litri de apa, cu un consum energetic de la 0,75 la 1,2 kWh. La acest program de spalare putem sa adaugam optiunea: De spalare la jumatate cu Power Clean; Silentios; Extra uscare si Pornire intarziata. Programul al 6th Sense sau programul Automat Rapid cu senzori, cu temperatura apei la 50°C. Acest program de spalare este folosit pentru vase cu un nivel scazut de murdarie. La fel si la acest program senzorul de turbiditate monitorizeaza permanent cat de murdara e apa, si va regla: temperatura de spalare, durata spalarii, dar si consumul de apa. Astfel in momentul in care senzorul detecteaza nivelul de murdarie, pe afisajul masini apare o animatie si cu durata ciclului de spalare actualizat. Acest program automat de spalare va dura intre 1 ora si 1 ora si 50 de minute, cu un consum mai redus de resurse energetice de: 7,5 – 15,5 litri de apa, cu un consum energetic de la 0,70 la 1,1 kWh. La acest program de spalare putem sa adaugam optiunea: De spalare la jumatate cu Power Clean; Silentios; Extra uscare si Pornire intarziata. Programul Scurt de spalare cu o durata de 30-40 de minute, cu apa la temperatura de 45°C, ce se deruleaza la o cantitate limitata de vase si cu un nivel mai mic de murdarie. Are un consum intre 10 si 12 litri de apa si de 0,55 pana la 0,65 kWh. La acest program de spalare putem sa adaugam optiunea: De spalare la jumatate; Extra uscare si Pornire intarziata. Programul Delicat, cu spalare la doar 45°C si cu presiune scazuta, este ideal pentru paharele si cristalele delicate. Programul are o durata de la 1 ora si 40 de minute, pana la 1 ora si 50 de minute si foloseste 12,5 pana la 16,5 litri de apa, cu un consum energetic de la 0,95 pana la 1,2 kWh. La acest program de spalare putem sa adaugam optiunea: De spalare la jumatate; Silentios; Extra uscare si Pornire intarziata. Programul dedicat de Auto-curatare la 65°C este folosit numai pentru intretinerea masini de spalat vase. Acest program cu durata de la 1 ora 15 minute, are un consum de 11 litri de apa si energie de 1,1 kWh. La acest program putem sa adaugam optiunea numai de pornire intarziata. Programul Prespalare, este ideal pentru a fi utilizat inainte de inceperea ciclului de spalare propriu-zis cu 4,5 litri de apa timp de 12 minute, fara ca apa sa fie incalzita. La acest program de spalare putem sa adaugam optiunea: De spalare la jumatate si Pornire intarziata. Optiunea Half-Load de spalare la jumatate va da posibilitatea sa alegeti zona unde sa spalati: Astfel puteti optati pentru cosul superior, pentru o incarcare redusa, alcatuita din vesela delicata si usor murdare; sau in cosul inferior, pentru tavi deosebit de murdare. In acest ultim caz, in zona multipla va creste automat puterea jeturilor de apa de pe raftul inferioar cu 20%, asigurand rezultate de spalare excelente.
Daca anulati aceasta optiune de selectare, masina va spala de sus pana jos. Este intotdeauna ideal sa utilizati masina de spalat vase la incarcare maxima, dar atunci cand trebuie sa spalati o cantitate mai mica de vase sau nu puteti astepta pana cand masina poate fi folosita la capacitate maxima, puteti folositi si programul de incarcare la jumatate Power Clean pentru a spala in acelasi timp in ambele cosuri. In plus cu acest program de spalare veti obtine si o economie considerabila de apa si de energie. In plus acest model permite conectarea directa la o conducta de apa calda de maxim 60°C, ce permite importante reduceri de energie electrica.
Whirlpool W7IHT40T este dotat si cu un filtru fara tehnologia de auto-curatare. In privinta functiilor speciale, pune la dispozitie, elementul de incalzire ascuns, programarea intarziata, cele 4 nivele de temperatură, Sensor System, indicatorul pentru realimentare cu sare, (acest articol fiind folosit la dedurizarea) apei si indicator lichid de limpezire.
Masina de spalat vase incorporabila Whirlpool W7IHT40T se incadreaza in clasa de eficienta energetică A+++, avand un consum extrem de redus de curent electric, dupa vechea eticheta energetica. Consumurile energetice raman la fel, sa schimbat numai modul de calcul. Consumul standard de energie pentru un ciclu de spălare Eco este de 0,76 kWh, iar cel de apă este de 9,5 litri.
Iar dupa noua etichetare energetica adoptata la nivelul UE de la 1 Martie 2021, aceasta masina de spalat vase se incadreaza in clasa de eficienta energetica C, cu un consum de energie de 76 kWh la 100 spalari si un consum de apa de 9,5 litri de apa, in programul de spalare ECO cu durata de 3 ore si 30 de minute, masurat cu metode mai perfectionate. Iar emisiile acustice din spatiul unde este plasata masina de spalat vase, in ciclul de spalare standard ECO la capacitatea nominala de spalare, este de 40 dB(A), conform etichetei energetice.
Datorita acestei modificari adoptata de la 1 Martie 2021, modelele cu cea mai mare valoare energetica A+++ sunt acum notate in clasa C (sau dupa caz), iar unele dintre aparatele cu valoarea energetica A+ sunt notate acum si pana in clasa G.
In acelasi timp consumul de apa intr-o familie se reduce cu pana la 40%. Masina de spalat vase este foarte silentioasa, nivelul de zgomot are valoarea maxima de 40 dB. Masina de spalat vase incorporabila Whirlpool W7IHT40T se opreste dupa perioade lungi de inactivitate cu un consum de 0,5 W/h si functionand in modul stand-by cu 0,5 W/h pentru a economisi energie electrica. Oprirea automata se produce dupa 5 minute de inactivitate. Whirlpool W7IHT40T reprezinta o masina de spalat vase foarte performanta, dotata cu tehnologie de ultima generatie. Design-ul este remarcabil, iar pretul de vanzare atinge nivelul mediu al gamei. Pentru a accesa si un alt produs ce face parte din categoria electrocasnice si doriti sa aflati mai multe informatii tehnice, scrieti in spatiul Search din dreapta sus, dati un Click produsului pe care doriti sa-l achizitionati, sau din ce categorie face parte de exemplu: aer conditionat, combina frigorifica, masina de spalat etc. si motorul de cautare va prezenta produsul cautat sau asemanator din baza directa de date.
Recomandare:
Primesti garantie 2 ani cu posibilitate de extindere, daca o comanzi de aici
Analizand caracteristicile cu care este prevazut iti recomand so cumperi cat mai repede pentru a nu pierde cel mai bun pret: Verifica oferta pret
Reducerile si promotiile reprezinta oferte limitate datorita stocului din magazin si perioadei mici de timp in care este valabila oferta: Verifica pret redus
